12000LB电动绞盘
产品信息:本车载小吊机的摇臂前端的起升重量为100kg,中段的起升重量为250kg,而末端(靠近立柱的一端)的起升重量为500kg(双绳);吊机采用方钢制成;普适12V/24V/220V等电源类型;额定功率为1.3KW/1.4KW/1.6KW;起吊钢丝绳长度为6-12M,钢丝绳直径为4-6MM;适用场合:野外作业。
绞盘产品信息:本车载小吊机的摇臂前端的起升重量为100kg,中段的起升重量为250kg,而末端(靠近立柱的一端)的起升重量为500kg(双绳);吊机采用方钢制成;普适12V/24V/220V等电源类型;额定功率为1.3KW/1.4KW/1.6KW;手动绞盘起吊钢丝绳长度为6-12M,钢丝绳直径为4-6MM;适用场合:野外作业。
技术参数:

电动绞盘技术参数
实物摄影:
电动绞盘实物摄影

应用案例:
电动绞盘是起锚和抛锚的机械,手摇绞车同样也作为绞缆之用。

电动绞盘起锚应用实景
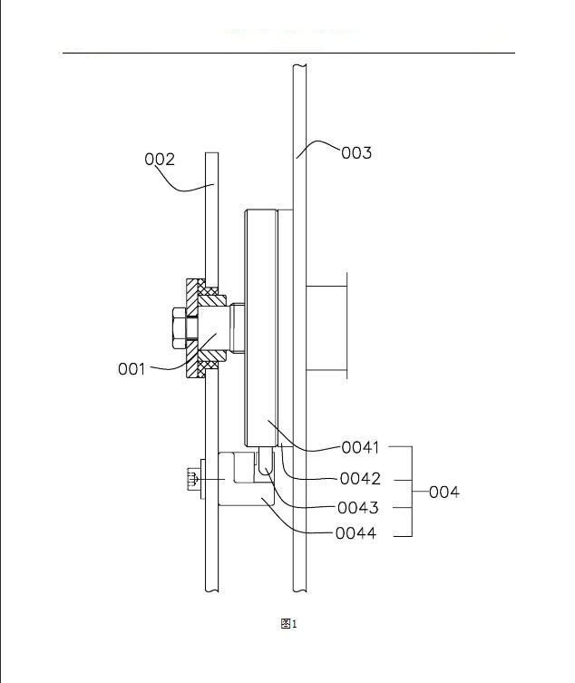
如图1,电动绞盘一般包括传动轴001、U型架002、离合机构004、“工”字形的绞盘003、控制电机和减速箱。离合机构004包括离合器盘0041、摩擦片0042、离合销0043和离合块0044。如图1,绞盘运行过程中,传动轴001带动离合器盘0041一同旋转,离合销0043固定在离合器盘0041上,每旋转一圈,离合销0043和离合块0044碰触一次,保持离合器盘0041对摩擦片0042的压紧,摩擦片0042平贴绞盘003端面,从而带动绞盘003旋转。有图有真相:

电动绞盘传动轴与轴承链接示意图
解决方案:
作为优选,河北东圣吊索具建议客户选用配置纯铜电机、无缝钢管并可根据要比调节起重量的车载小吊机。主机配置为电动绞盘。手板式绞盘不能满足此要求。

电动绞盘车载小吊机解决方案





